无法使用此链接。检查链接是否以 "http://" 或 "https://" 开头,然后重试。
无法处理此搜索。请尝试其他图像或关键字。
试用视觉搜索
使用图像搜索、识别对象和文本、翻译或解决问题
将一个或多个图像拖到此处,
上传图像
或
打开相机
你提供的照片可能用于改善必应图片处理服务。
隐私政策
|
使用条款
将图像放置到任意位置以开始搜索
要使用可视化搜索,请在浏览器中启用相机
English
全部
搜索
图片
灵感
创建
集合
视频
地图
资讯
更多
购物
航班
旅游
笔记本
自动播放所有 GIF
在这里更改自动播放及其他图像设置
自动播放所有 GIF
拨动开关以打开
自动播放 GIF
图片尺寸
全部
小
中
大
特大
至少... *
自定义宽度
x
自定义高度
像素
请为宽度和高度输入一个数字
颜色
全部
仅限颜色
黑白
类型
全部
照片
剪贴画
素描
动画 GIF
透明
版式
全部
方形
横版
高
人物
全部
仅脸部
半身像
日期
全部
过去 24 小时
过去一周
过去一个月
去年
授权
全部
所有创作共用
公共领域
免费分享和使用
在商业上免费分享和使用
免费修改、分享和使用
在商业上免费修改、分享和使用
详细了解
清除筛选条件
安全搜索:
中等
严格
中等(默认)
关闭
筛选器
665×697
www.reddit.com
Surface Fillet on Trimmed Geometry : r/SolidWorks
890×721
wiki.cadcam.com.my
Sketch Fillet vs Fillet Feature in SOLIDWORKS - IME Wiki
573×474
www.reddit.com
Creating complex fillet geometry using surfaces : r/SolidWorks
419×417
swtutorials.com
Fillet Feature in SolidWorks – SolidWorks Tutorials
586×508
swtutorials.com
Fillet Feature in SolidWorks – SolidWorks Tutorials
748×529
swtutorials.com
Fillet Feature in SolidWorks – SolidWorks Tutorials
561×413
swtutorials.com
Fillet Feature in SolidWorks – SolidWorks Tutorials
818×575
swtutorials.com
Fillet Feature in SolidWorks – SolidWorks Tutorials
506×508
swtutorials.com
Fillet Feature in SolidWorks – SolidW…
845×700
wiki.cadcam.com.my
Sketch Fillet vs Fillet Feature in SOLIDWORKS - IME Wiki
715×577
wiki.cadcam.com.my
Sketch Fillet vs Fillet Feature in SOLIDWORKS - IME Wiki
320×180
slideshare.net
Fillet feature in solid works | PPT
1075×790
GrabCAD
Fillet Error | SOLIDWORKS Design & Help | GrabCAD Gro…
914×550
ourelabs.blogspot.com
Solidworks fillet uses ~ Ourengineeringlabs
1024×644
solidworkstutorialsforbeginners.com
How to Use SolidWorks Fillet Feature in SolidWorks Software
296×405
cati.com
FIX-A-FILLET with SOLIDWORKS
220×553
cati.com
FIX-A-FILLET with SOLIDW…
200×271
cati.com
FIX-A-FILLET with SOLIDWORKS
593×365
cati.com
FIX-A-FILLET with SOLIDWORKS
330×426
cati.com
FIX-A-FILLET with SOLIDWORKS
1920×1040
www.reddit.com
Corner fillet : r/SolidWorks
678×391
solidworkstutorialsforbeginners.com
How to Use SolidWorks Fillet Feature in SolidWorks Software
678×360
solidworkstutorialsforbeginners.com
How to Use SolidWorks Fillet Feature in SolidWorks Software
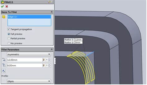
1341×772
Onshape
New Fillet Types: Asymmetric / Variable / Full Round — Onshape
708×462
engineersrule.com
An Advanced Breakdown of the SOLIDWORKS Fillet Feature Tool - Engineers ...
607×489
engineersrule.com
An Advanced Breakdown of the SOLIDWORKS Fillet F…
886×486
engineersrule.com
An Advanced Breakdown of the SOLIDWORKS Fillet Feature Tool - Engin…
676×390
arismadata.com
SolidWorks – Fillet Techniques | Reseller SolidWorks Indonesia
689×504
engineersrule.com
An Advanced Breakdown: More Features of the SOLIDWORKS Fillet Tool ...
1024×665
engineersrule.com
An Advanced Breakdown: More Features of the SOLIDWORKS Fillet Tool ...
681×495
engineersrule.com
An Advanced Breakdown: More Features of the SOLIDWORKS Fil…
934×499
engineersrule.com
An Advanced Breakdown: More Features of the SOLIDWORKS Fillet Tool ...
1194×1058
engineersrule.com
An Advanced Breakdown: More Features of the SOLI…
768×540
engineersrule.com
An Advanced Breakdown: More Features of the SOLIDWORKS Fillet Tool ...
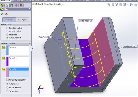
600×307
javelin-tech.com
Full Round Fillet in SOLIDWORKS
某些结果已被隐藏,因为你可能无法访问这些结果。
显示无法访问的结果
报告不当内容
请选择下列任一选项。
无关
低俗内容
成人
儿童性侵犯
反馈